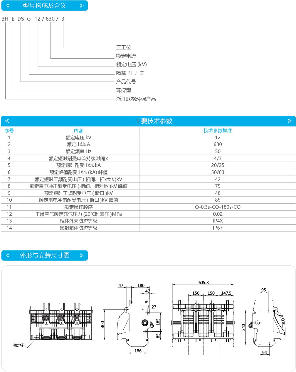
BHEDSG-12/630/3 环保PT隔离开关

24小时服务热线:

0577-62696268

3a.jpg

我们秉承一切以服务为宗旨

尊重客户,理解客户,持续提供满足客户期望的产品与服务